No products in the List.
Return to shop
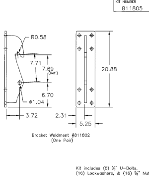
Yanmar YL110/YL210 Pin-On/Weld-On Quick Attach Brackets
$415.00